Клапан управления фильтром КЛАП’С КМ1

Характеристики
Описание
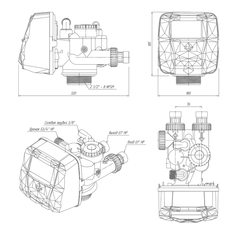
Многоходовой автоматический клапан КЛАП'С КМ1 — блок управления для систем водоподготовки, предназначенный для автоматизации фильтров умягчения, обезжелезивания, осветления и сорбции. Совместим с корпусами от 0844 до 2169 (диаметр до 21").
Технические характеристики:
- Производительность: до 6,0 м³/ч
- Максимальное рабочее давление: 8,6 бар
- Вход/выход: 1", дренаж: 3/4"
- Посадочный размер: 2,5"
- Водоподъёмная труба: 1,05" (26,7 мм)
- Температура эксплуатации: 1–43 °C
- Корпус: Noryl (инженерный пластик)
- Питание: 100–240 В, защита от скачков напряжения
Преимущества КМ1 перед аналогами:
- 4-дюймовый сенсорный экран с полностью русскоязычным интерфейсом — настройка без документации
- До 8 стадий промывки в произвольном порядке
- 4 типа запуска регенерации: по дням, по часам, отложенный, немедленный
- Дискретные входы/выходы для управления дозирующими насосами, ЭМК (24/220 В), реле
- Журнал событий за 30 дней: промывки, аварии, расход воды
- Дистанционный запуск промывки и синхронизация нескольких фильтров
Рекомендуется для коммерческих и промышленных систем, где требуется гибкая автоматизация и удалённый контроль водоподготовки.
Характеристики
| Код товара | 103635 |
| Артикул | FB-28014070 |
| Вес | 2,20 кг |
| Производитель | КЛАП’С |
| Скорость потока, м³/ч | до 6 |
| Посадочный размер | 2,5” |
| Вход/Выход/Дренаж | 1”; 1”; 3/4” |
| Режим работы | Умягчение / Обезжелезивание |
| Колонна фильтра | 0844, 1035, 1044, 1054, 1252, 1354, 1465, 1665, 1865, 2162, 2169 |
| Экран | Жидкокристаллический |
| Предназначение | Умягчение, Умягчение - Обезжелезивание, Обезжелезивание, Осветление, Сорбция |
| Тип автоматической промывки | Автоматическая |
| Максимальная обратная промывка, м³/ч | 6 |
| Водоподъёмная труба | 1,05” (26,7 мм) |
| Солевая линия | 3/8" |
| Максимальное рабочее давление, бар | 8,6 |
| Диапазон температур эксплуатации, С° | 1-43 |
| Материал корпуса | Noryl (пластик) |
| Тип конструкции | Поршневой |
| Назначение | для фильтра умягчения / обезжелезивания / сорбции |
| Принцип работы | автоматический |
| Тип | Блоки управления для фильтров |
Наши проекты
Все →
Монтаж оборудования
ВидеоВодоподготовка для УЗВ: выращивание осетра, форели и другой рыбы
ВидеоСодоизвесткование: JAR-тест

Обучаем персонал после монтажа. Показываем схему, объясняем параметры, снимаем видео

Благодарственное письмо: пилотная установка очистки солесодержащих сточных вод

Диагностика мембран обратного осмоса, подбор химии CIP-мойки и AI-нормализация отчётов
Наши проекты
Все →
ВидеоОчистка пластовых вод от нефтепродуктов: лабораторные исследования перед извлечением лития
ВидеоЭкстракция нефтепродуктов гексаном для флуориметрического анализа
ВидеоJAR-тест: пробная коагуляция воды
ВидеоОбратный осмос для полива голубики
ВидеоВодоподготовка для полива ягод из пруда в Пятигорске: коагуляция + 2 осмоса с резервом
ВидеоВидео с объекта: процесс



